2020-05-19
東莞市德藝隆電子有限公司是一家專業設計、生產、銷售為一體的精密廠商,是一家大型生產各種輕觸開關的20年老品牌廠家。今天跟大家講解的是輕觸開關的規格書
前面有講到撥動開關的規格書,為什么一定還要講到輕觸開關的規格書呢?正所謂內行人看門道,外行人看繁華,上面簡單看上去型號之間的差別就一個字母而已,但是它卻是區分每個型號輕觸開關間重要的部分,當然較直接的就是看貼片輕觸開關規格書,但是很多人是看不懂的,所以他們只能靠字母來區分。除了字母還有型號和數字,還有特別要講到的是他們的數據,每一款可能看似相似,其實不然。就拿撥動開關和輕觸開關來講,就文字上已經有了很大的差別。
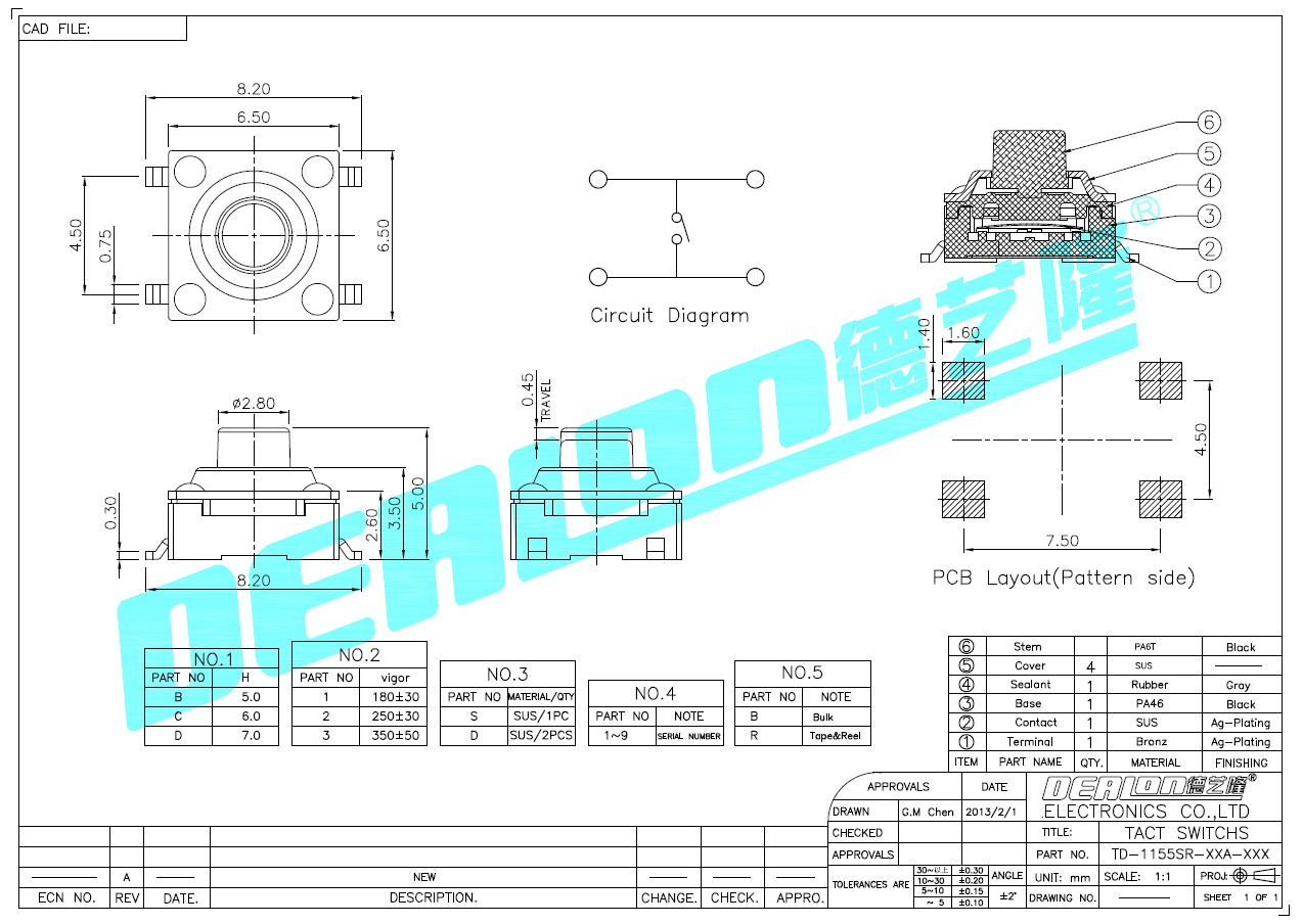
今天就拿我們比較常用到TD-115SR來看看它的規格書!



德藝隆電子產銷的輕觸開關形形色色,有貼片輕觸開關,插件輕觸開關,帶燈觸開關,防水輕觸開關,一切開關都有各種各樣的規格型號。無論是哪個行業的哪個公司,他們都不會說一切的產品都是熱銷或者都是主推產品,德藝隆電子也不例外,再兇猛也不可能做到一切銷售產品都是暢銷款,所以德藝隆在所有的輕觸開關中不時遭到客戶熱衷的輕觸開關中就是貼片輕觸開關,其次是防水輕觸開關,帶燈輕觸開關,較后是插件輕觸開關。但是在眾多的貼片輕觸開關中有幾款熱銷的型號,今天德藝隆電子科技就為大家講述以上這款熱銷的TD-115SR貼片輕觸開關規格書,供大家參考及自創。
地址:東莞市塘廈鎮蓮湖第一工業區31號
傳真:+86-0769-27200836
手機:139-2585-8458
網站:m.szhbxf.com
E-mail:sales@twdealon.com