2020-07-11
東莞市德藝隆電子有限公司是一家專業設計、生產、銷售為一體的精密廠商,是一家大型生產各種輕觸開關的20年老品牌廠家。今天小編為大家分享的是輕觸開關的電路特點。
目前很多客戶輕觸和按鍵區分不是很清楚,其實兩者都是可以叫做按鍵。顧名思義我們消費者在使用產品種,按下去有功能反應的都是可以叫做按鍵,只是目前的觸控無法叫做按鍵而已。輕觸開關是指表面輕按斷開使電路中的電流有中斷,讓電流信息與主控功能IC有反應,來實現功能的。按鍵開關是指我們按下去會有自動鎖住電路,導致電流導通實現我們的通斷的性能,一旦電路被鎖住電流是一直在流動,來實現長時間通電,也叫做電源開關。所以兩種的電路設計是完全不同,但是有很相近的功能,就有很多不是電子業界的人搞混了。
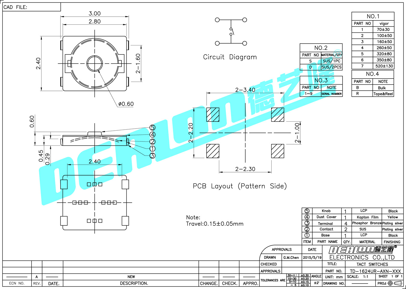
輕觸開關的電路特點就比較簡單,但是功能比較豐富,單一按動就可以設計好幾種功能,每一次的電流反應都是可以設計為一種識別,例如:我們控制音量大小,每按一次聲音就可以加大或者減少,也可以用來控制產品的開關功能,手機電源按鍵就是如此,也就就是該款開關被廣泛選擇的原因。按鍵開關的電路設計更為簡單,但是功能也是非常的簡單,一般只能做為電源按鍵,因為每一次按動,只要線路鎖死就是一直在供電,產品將一直在工作,例如:我們的電視機一但被打開關就要等我們在去關,也就是按鍵開關的功能。經過以上介紹我相信大家都會明白輕觸和按鍵的電路特點和設計方式,更知道我們如何區分和使用了吧!下面給大家分享一下貼片輕觸開關的電路特點圖紙,許多工程師或者需求方在選購和生產的時候都會參照規格圖紙去做,也能更好的區分插件輕觸開關和貼片輕觸開關的電路特點。如圖:
今天分享的是貼片輕觸開關的點圖特點和規格書,希望對大家有所幫助。
德藝隆電子創立于1999年,專業生產:輕觸開關,撥動開關,按鍵開關,貼片輕觸開關,貼片撥動開關,耐高溫輕觸開關,耐高溫撥動開關等產品,主要應用于家用電器、3C(計算機、通訊、消費電子)、辦公設備、醫療、安防、個人護理、汽車電子、工業控制等領域已經被廣大客戶認可和一致好評,選輕觸開關廠家就選德藝隆電子。
地址:東莞市塘廈鎮蓮湖第一工業區31號
傳真:+86-0769-27200836
手機:139-2585-8458
網站:m.szhbxf.com
E-mail:sales@twdealon.com