2020-09-16
東莞市德藝隆電子有限公司是一家專業設計、生產、銷售為一體的精密廠商,是一家大型生產各種微動開關的20年老品牌廠家。微動開關已經在我們的生活中廣泛應用,今天小編為大家介紹的是改善微動開關焊接不牢的方法。
微動開關、防水微動開關是用于各類高壓輸變電、高鐵等電氣設備的操作機構中做限位使用,是機構中最為常用的一種微動開關,它是作為機械狀態及聯動的重要部件,有著極為重要的作用。以往有些微動開關由于焊接強度不足,安裝后易出現殼體斷裂、引出片竄動現象,因微動開關的堅固穩定也關系著電力機構運行的穩定性,是保證電氣性能和安全的重要條件,為此我們在改良了微動開關焊接結構的同時,設計了一種能對微動開關超聲波焊接強度檢測的裝置,來確保生產的微動開關出廠前不存在焊接不牢固的狀況。
為了解決微動開關超聲波焊接強度檢測的問題,采用繼電器控制技術提出一款氣缸自動夾緊擊打裝置,來檢測微動開關超聲波焊接強度。
改善微動開關焊接不牢的方法一、結構形式
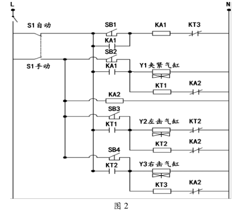
為實現簡單高效的強度檢測,該設備具體包括:(a)繼電器控制盒、(b)左擊打氣缸、(c)擊打固定座、(d)聚四氟擊打頭、(e)右擊打氣缸、(f)
氣動減壓閥、(g)2080 鋁型材、(h) 待檢S100 開關、(i)匯流板、(j)夾緊氣缸、(k)固定座、(l)夾緊氣缸電磁閥、(m)左擊打氣缸電磁閥、(n)
右擊打氣缸電磁閥、(o)手動夾緊按鈕、(p)手動左擊打按鈕、(q)手動右擊打按鈕、(r)電源開關、(s)自動手動選擇開關、(t)自動啟動按鈕。

改善微動開關焊接不牢的方法二、功能介紹
其動作邏輯是這樣,當電源開關處于 on,手自動選擇開關S1 處于自動狀態時,按下 SB1 啟動按鈕,設備會按照原理圖執行一個動作循環,KA1
中間繼電器得電并進行自鎖,電磁閥 Y1線圈得電吸合,夾緊氣缸動作,與此同時 KT1 時間繼電器開始計時,計時到達預設后,電磁閥 Y2
線圈得電吸合,左擊打氣缸動作,同時 KT2 時間繼電器開始計時,計時到達預設后,電磁閥Y2 線圈失電,左擊打氣缸復位,同時電磁閥 Y3 線圈得電吸合,KT3
時間繼電器開始計時,計時到達預設后,KT3 時間繼電器常閉觸點斷開主回路,KA1
中間繼電器自鎖失效,氣缸全部復位,完成一個自動工作循環;手動模式則可實現對每個氣缸實現單電動作的要求,使工作簡單方便。

改善微動開關焊接不牢的方法三、關鍵技術點
本設備提供了一種全新的
微動開關產品超聲波焊接強度檢測方式,擺脫了人工檢測的現狀,利用繼電器控制電路原理,設計控制電路,根據控制邏輯,使用繼電器驅動執行氣缸動作,從而穩定高效地完成了微動開關焊接強度檢測時的夾緊、左擊打、右擊打、復位等動作,且具備長時間運行的工作能力,保證了生產微動開關的質量;手動、自動模式可以隨意切換,且繼電器延時動作時間可以進行微調,擊打速度、力量均可根據調整氣缸壓力,調整氣缸進排氣流速進行調整,滿足不同使用情況和標準下的需求,兼容性良好。
改善微動開關焊接不牢的方法四、主要特點
(1)提高了檢測效率,由于設備研發之前焊接后的微動開關均依靠人工檢測焊接強度,檢測標準無法一致的同時,檢測效率低下,工人長時間工作容易疲勞。該設備工裝的開發制作,避免了單一的人工體力勞動,保證了檢測標準的一致性,提高了產品的質量和可靠性。
(2)設備工作穩定安全可靠,利用繼電器控制,氣動元件執行驅動,技術成熟安全可靠,運行穩定,可以適應批量生產。
(3)提高了工作效率,將這款工裝安裝在超聲波焊接機旁邊,焊接和檢測可以由一人同時完成,不再需要焊接完畢,再進行二次校驗的困擾,且邊焊接邊檢測可以及時發現焊接時問題,調整參數,避免了大量廢品出現。
(4)設備制作成本低,但使用壽命長,且不需要經常維護。
(5)繼電器控制電路多處增加繼電器自鎖、互鎖,避免設備在正常使用中出現漏洞或干擾,保證了設備的正常穩定運行,延長了設備的使用壽命,良好的設備運行條件,也是良好質量產品生產的保障。
微動開關廠家推薦我們德藝隆電子,首先德藝隆電子創立于1999年,專業生產:輕觸開關,撥動開關,按鍵開關,貼片輕觸開關,貼片撥動開關,耐高溫輕觸開關,耐高溫撥動開關等產品,主要應用于家用電器、3C(計算機、通訊、消費電子)、辦公設備、醫療、安防、個人護理、汽車電子、工業控制等領域已經被廣大客戶認可和一致好評,選微動開關廠家就選德藝隆電子。
地址:東莞市塘廈鎮蓮湖第一工業區31號
傳真:+86-0769-27200836
手機:139-2585-8458
網站:m.szhbxf.com
E-mail:sales@twdealon.com